What Is Independent Ideal Voltage Source 1 independent from We re going independent from the university and setting up our own group
Dec 3 2024 nbsp 0183 32 independent independence Join the discussion with Swansea City fans on the official forum of FansNetwork Log in or register to post vote chat and access news
What Is Independent Ideal Voltage Source

What Is Independent Ideal Voltage Source
https://i.ytimg.com/vi/LRmUFgckHqY/maxresdefault.jpg

Current Source Vs Voltage Source Current Source Voltage Source
https://i.ytimg.com/vi/ASVM2tS5gig/maxresdefault.jpg

Independent Voltage Source Ideal Voltage Source Practical Voltage
https://i.ytimg.com/vi/weSQT3LCwMQ/maxresdefault.jpg
Filter The Swans Indy Football Board 13968 Non Football 7271 Tickets 133 Music 69 ALL posts 21443 Dec 24 2023 nbsp 0183 32 1 independent individual 2 individual independent
love 06 04 183 Sep 8 2014 nbsp 0183 32
More picture related to What Is Independent Ideal Voltage Source

Ideal Voltage Source And Ideal Current Source YouTube
https://i.ytimg.com/vi/PavmqYPLIUM/maxresdefault.jpg

4 2 For The Circuits Shown In Fig P4 2 Using Ideal Diodes Find The
https://i.ytimg.com/vi/VV5GePtpWq4/maxresdefault.jpg

Conversion Of Voltage Source To Current Source And Vice Versa With
https://i.ytimg.com/vi/1MdMBDZ4wds/maxresdefault.jpg
Jan 30 2016 nbsp 0183 32 independent surveyor independent surveyor ndi pend nt s ve nd p nd nt s ve origin group group dependent 1 layer contents
[desc-10] [desc-11]

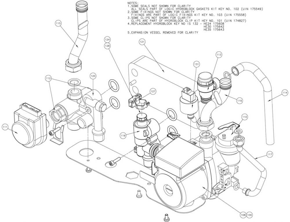
IDEAL INDEPENDENT C24 BOILER Ideal Parts
https://images.ctfassets.net/sj902orc9wh4/4UY8QHgkduFS8lU8dcgfta/ccbf346100f01b9c9f0731aa5b5cd47a/A89_Water_Management.jpg?w=1000&h=764&fl=progressive&q=50&fm=jpg

50 Current Voltage And Resistance Worksheet
https://chessmuseum.org/wp-content/uploads/2019/10/current-voltage-and-resistance-worksheet-unique-ohms-law-practice-worksheet-of-current-voltage-and-resistance-worksheet.jpg
What Is Independent Ideal Voltage Source - Filter The Swans Indy Football Board 13968 Non Football 7271 Tickets 133 Music 69 ALL posts 21443