Voltage Divider Rule In Series Circuit Apr 25 2021 nbsp 0183 32 What is Voltage Voltage also known as electric potential difference electromotive force emf electric pressure or electric tension is defined as the electric potential difference
Voltage can be described in numerous ways but the most popular voltage definition is that voltage is the total work required to move a unit of charge between two points in a static Jul 23 2025 nbsp 0183 32 What is Voltage Voltage is the amount of pressure required to move an electric charge electrons from one point to another in an electrical circuit Voltage is also known as
Voltage Divider Rule In Series Circuit

Voltage Divider Rule In Series Circuit
https://i.ytimg.com/vi/WK6YSGK_63s/maxresdefault.jpg

Voltage Divider Rule VDR Series DC Circuits YouTube
https://i.ytimg.com/vi/ACH7MfEniWo/maxresdefault.jpg

How To Find Voltage Across Resistor And Capacitor In Series RC Circuits
https://i.ytimg.com/vi/aZErCuNmoHU/maxresdefault.jpg
What is Voltage Electric Potential Difference and EMF Definition amp Applications You must have heard of the voltage current amp power that is associated with electricity It is one of the basic Covered in this Tutorial How electrical charge relates to voltage current and resistance What voltage current and resistance are What Ohm s Law is and how to use it to understand
1 day ago nbsp 0183 32 Explore the fundamentals of Ohm s law in electrical circuits Learn how voltage current and resistance interact and discover practical examples of series and parallel circuits Relationship Between Voltage and Current Current and voltage are two fundamental quantities in electricity Voltage is the cause and current is the effect The voltage between two points is
More picture related to Voltage Divider Rule In Series Circuit

Current Division Rule And Example With 3 Resistors YouTube
https://i.ytimg.com/vi/VunC__a9REE/maxresdefault.jpg

Voltage Divider Rule Electrical And Electronics Engineering
https://electricalandelectronicsengineering.com/wp-content/uploads/2019/06/voltage-divider-rule.jpg

Voltage Divider Rule In Series Capacitors MAlabdali
https://malabdali.com/wp-content/uploads/2020/05/diod-transistor-2.png
Voltage and current are the cornerstone concepts in electricity We will create our first mental models for these basic electrical quantities We will also talk about power which is what Voltage as an expression of potential energy is always relative between two locations or points Sometimes it is called a voltage drop When a voltage source is connected to a circuit the
[desc-10] [desc-11]

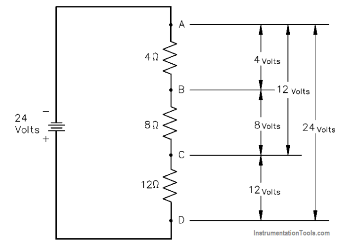
Voltage Divider Inst Tools
https://instrumentationtools.com/wp-content/uploads/2018/07/Voltage-Divider-720x500.png

Voltage Divider Inst Tools
https://instrumentationtools.com/wp-content/uploads/2018/07/Voltage-Divider-Equation.png
Voltage Divider Rule In Series Circuit - What is Voltage Electric Potential Difference and EMF Definition amp Applications You must have heard of the voltage current amp power that is associated with electricity It is one of the basic